
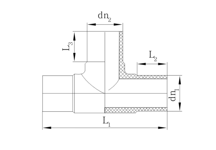
| 详情 dn1xdn2xdn1 | 项目 | dn1xdn2xdn1 | L | L2 | L3 |
| 50×50×50 | MT50/50/50 | 50×50×50 | 182 | 57 | 55 |
| 63×32×63 | MT63/32/63 | 63×32×63 | 200 | 65 | 51 |
| 63×40×63 | MT63/40/63 | 63×40×63 | 200 | 67 | 54 |
| 63×63×63 | MT63/63/63 | 63×63×63 | 211 | 66 | 66 |
| 9o×32×90 | MT90/32/90 | 90×32×90 | 226 | 82 | 52 |
| 90×40×90 | MT90/40/9o | 90×40×90 | 228 | 83 | 52 |
| 90×50×90 | MT90/50/90 | 90×50×90 | 283 | 87 | 60 |
| 90×63×90 | MT90/63/9o | 90×63×90 | 285 | 83 | 68 |
| 90×90×90 | MT90/90/9o | 90×90×90 | 283 | 87 | 87 |
| 110×32×110 | MT110/32/110 | 110×32x110 | 237 | 78 | 52 |
| 110×40×110 | MT110/40/110 | 110×40×110 | 238 | 81 | 52 |
| 110×50×110 | MT110/50/110 | 110×50×110 | 280 | 87 | 61 |
| 110×63×110 | MT110/63/110 | 110×63×110 | 280 | 87 | 72 |
| 110×90×110 | MT110/90/110 | 110×90×110 | 307 | 87 | 82 |
| 110×110×110 | MT110/110/110 | 110×110×110 | 320 | 87 | 87 |
| 125×63×125 | MT125/63/125 | 125×63×125 | 327 | 118 | 87 |
| 125×125×125 | MT125/125/125 | 125×125×125 | 327 | 118 | 118 |
| 140×140×140 | MT140/140/140 | 140×140×140 | 373 | 92 | 92 |
| 160×50×160 | MT160/50/160 | 160×50×160 | 440 | 123 | 85 |
| 160×63×160 | MT160/63/160 | 160×63×160 | 360 | 109 | 94 |
| 160×90×160 | MT16o/90/160 | 160×90×160 | 362 | 109 | 95 |
| 160×110×160 | MT160/110/16o | 160×110×160 | 360 | 108 | 97 |
| 160×160×160 | MT160/160/160 | 160×160×160 | 424 | 117 | 117 |
| 180×180×180 | MT180/180/180 | 180×180×180 | 457 | 105 | 105 |
| 200×63×200 | MT200/63/200 | 200×63×200 | 408 | 117 | 71 |
| 200×90×200 | MT200/90/20o | 200×90×200 | 407 | 117 | 90 |
| 200×110×200 | MT200/110/200 | 200×110×200 | 410 | 118 | 90 |
| 200×160×200 | MT200/160/200 | 200×160×200 | 482 | 128 | 103 |
| 200×200×200 | MT200/200/200 | 200×200×200 | 482 | 125 | 117 |
| 250×63×250 | MT250/63/250 | 250×63×250 | 457 | 129 | 90 |
| 250×90×250 | MT250/9O/250 | 250×90×250 | 460 | 129 | 91 |
| 250×110×250 | MT250/110/250 | 250×110×250 | 458 | 129 | 70 |
| 250×160×250 | MT250/160/250 | 250×160×250 | 501 | 135 | 108 |
| 250×200×250 | MT250/200/250 | 250×200×250 | 505 | 140 | 115 |
| 250×250×250 | MT250/250/250 | 250×250×250 | 572 | 134 | 134 |
| 315×90×315 | MT315/90/315 | 315×90×315 | 600 | 150 | 87 |
| 315×110×315 | MT315/110/315 | 315×110×315 | 598 | 150 | 92 |
| 315×160×315 | MT315/160/315 | 315×160×315 | 592 | 150 | 111 |
| 315×200×315 | MT315/200/315 | 315×200×315 | 592 | 150 | 128 |
| 315×250×315 | MT315/250/315 | 315×250×315 | 727 | 150 | 136 |
| 315×315×315 | MT315/315/315 | 315×315×315 | 592 | 150 | 150 |
| 355×250×355 | MT355/250/355 | 355×250×355 | 725 | 168 | 142 |
| 355×315×355 | MT355/315/355 | 355×315×355 | 730 | 170 | 164 |
| 355×355×355 | MT355/355/355 | 355×355×355 | 726 | 165 | 164 |
| 400×400×400 | MT400/400/400 | 400×400×400 | 777 | 179 | 179 |
Copyright 2023 Alexfei fitting. All Rights Reserved.